manbet
咨询热线:0379-80877123 400-966-9300
首页
产品中心
自创豆制品
经典面制品
组合礼包
源味觉醒系列
其他
视频中心
媒体报道
走进manbet
manbet简介
manbet新闻
发展历程
资质认证
品牌故事
商城/合作
线上商城
合作
加入manbet
加入manbet
自媒体
实时车间
车间实况
您当前的位置:
首页
>
公司介绍
>
资质认证
manbet简介
manbet新闻
发展历程
资质认证
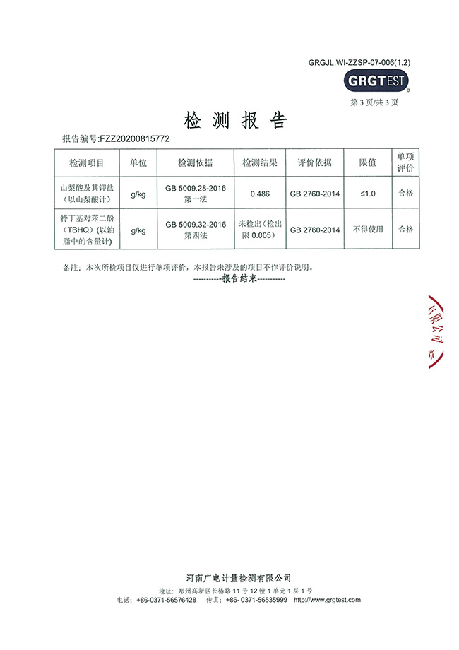
老式大辣片外检
发布时间:2021-03-02
作者:
来源:
manbet
点击:5189
上一篇:食品安全管理体系认证证书
下一篇:营业执照
分享到:
0
用手机看
拍下二维码,,,,,信息随身看
试试用微信扫一扫,,,,,
在你手机上继续观看此页面。。。。。
友情链接:
manbet官方微博阿里巴巴manbet官方旗舰店manbet食品天猫旗舰店淘宝manbet食品工厂自营店manbet(Genji food)京东自营旗舰店manbet食品有赞自营店
0379-80877123
400-966-9300
电话
短信
地图
刷新
【网站地图】
【sitemap】